富士变频器
-大柏电子科技(上海)有限公司
首 页
关于大柏
产品中心
变频器
触摸屏
PLC
伺服
系统集成
行业资讯
文件下载
常见问答
联系我们
当前位置:
首页
产品中心
伺服
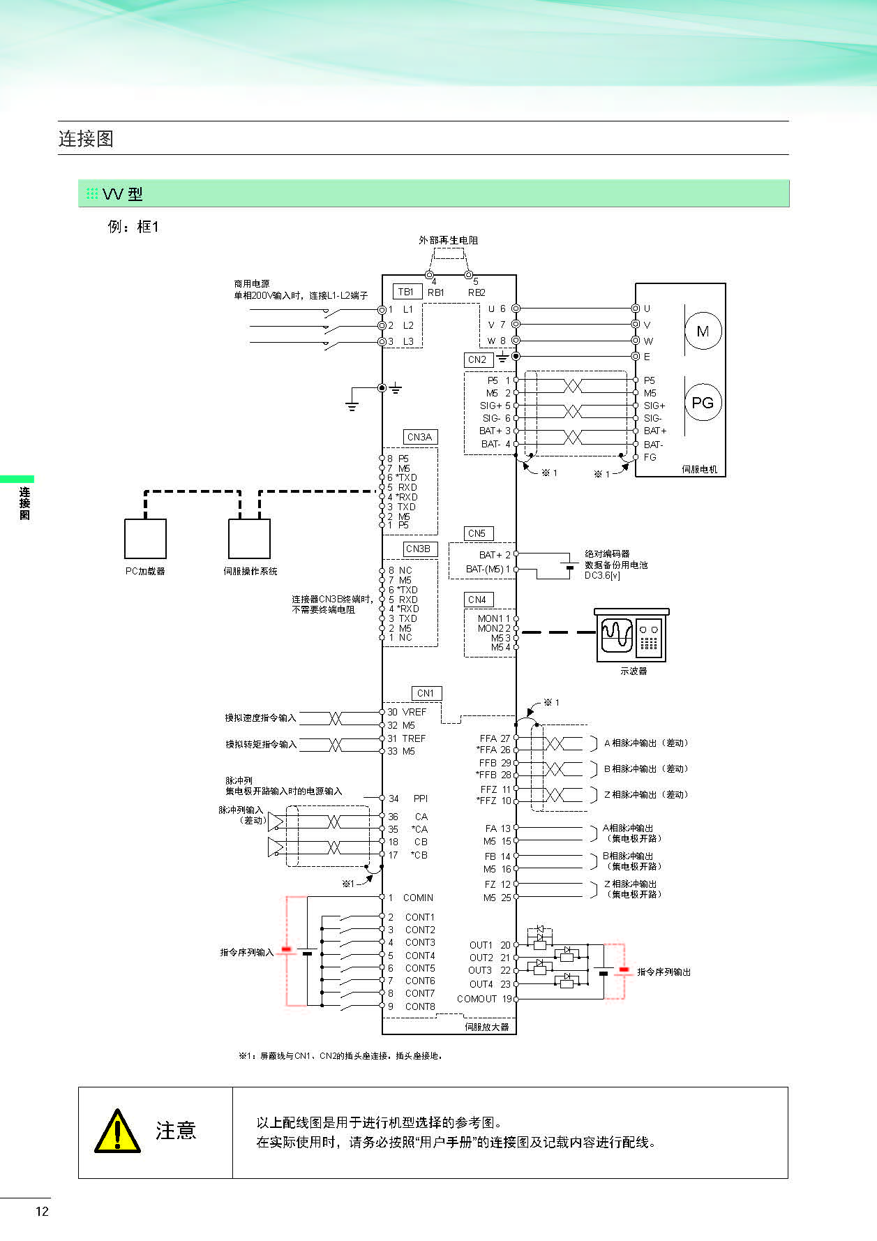
富士伺服系统 ALPHA5 Smart Plus
富士伺服系统 ALPHA5 Smart Plus
品名:
富士伺服系统 ALPHA5 Smart Plus 富士新生代主打高性能伺服系统
特点:
凭借“快速”响应、“强劲”电机,实现高速、高精度控制的业界领先水平
通讯:
CPU内置RS-485、支持MODBUS
应用:
应用于产线自动化、木工机械、玻璃机械、搬运、上下料、电子非标等先进制造业
认证:
对应CE标志、UL标准、RoHS标准
产品中心
变频器
PLC
触摸屏
伺服
系统集成
产品详情
伺服系统 ALPHA5 Smart Plus
富士新生代主打高性能伺服系统
相关产品
富士伺服系统 ALPHA5 Smart
富士伺服系统 ALPHA7S
微信
电话
欢迎咨询
139 1618 3699
返回顶部